




Kinglink Raw Coal Primary Crushing Plant Feeder Breaker




Kinglink Vibrating Grizzly Feeder 5220 | Stone Crushing Plant




LIMING Mobile Primary Jaw Crusher Stone Crushing Plant





Kinglink New PE2436 Jaw Crusher For Primary Crushing





Kinglink 350tph Limestone | Silex Crushing and Screening Plant





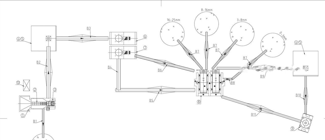
Kinglink 150TPH RIVER STONE CRUSHING PLANT




Kinglink Primary Jaw Crushing Equipment PE870X1060 | 300TPH
61 890EUR
- ≈ 4 212 926 PHP
- ≈ 72 530 USD





Kinglink 250TPH Basalt \ Silex Stone Crusher Crushing Plant



Kinglink PE2436 Jaw Crusher | Aggregates Crushing Plant





Kinglink 250TPH Granite/Basalt/Riverstone Crushing Plant
New Jaw crusher Kinglink Raw Coal Primary Crushing Plant Feeder Breaker
Published: 2yr 1mo
Published: 2yr 1mo
The seller didn't indicate the price
Do you want to know prices for the similar offers?
See what's in stock nowFeeder Breaker, the continuous pass crushing station is our company's patented product and is the best choice for coal mine crushing production line solutions.
Features:
1. Compact design of level material flow technology, low feed height and wide range of options make it can be widely used in open pit mine
2.Feeder breaker integrates conveying, screening and crushing, which has high working efficiency.
3.Output size and crushing ratio can be adjusted, and the approach is simple and convenient operation.
4.Feeder breaker can be movable, which has low requirement to the base condition and are suitable for poor working condition.
This offer is for informational purposes only. Please confirm details directly from the seller.
The seller didn't indicate the price
Do you want to know prices for the similar offers?
See what's in stock nowThis offer is for informational purposes only. Please confirm details directly from the seller.









